Ensemble d'accroche double pour série 300 carré sur poutre IPN type HEB240, CMU 300kg
Ensemble d'accroche 1côté pour série 300 carré sur poutre IPN type HEB, CMU 150 kg
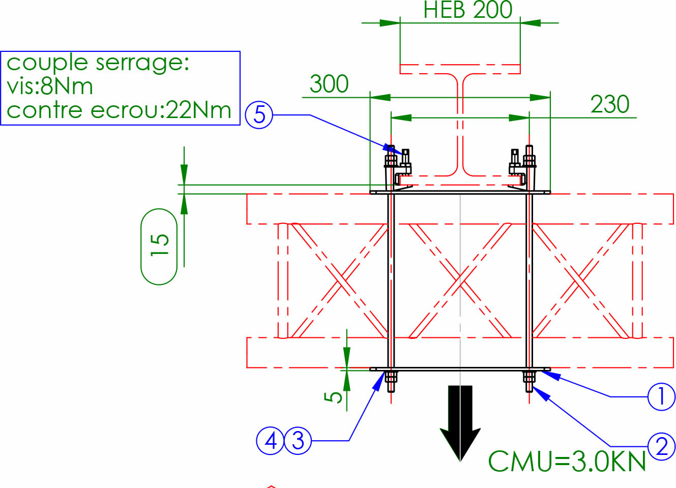
Ensemble d'accroche double pour série 300 carré sur poutre IPN type HEB180, CMU 300kg
Fixation murale acier pour structure carré ou triangulaire série 300, charge 560kg, déport 0,40m
Ensemble d'accroche double pour série 300 carré sur poutre IPN type HEB160, CMU 300kg
Embase "chandelle" pour tube Ø50mm, 4 trous entre-axe structure série 300 carré pour assemblage sur embase lourde, couleur blanche
Garde-corps 2m pour praticable ASD
Praticables 1,5m x 1m, (jeux de 4 pieds de 20, 40, 60 et 80cm en option)
Suspente d'accroche moteur pour truss entraxe 52cm, charge 1t, couleur noire
Angle T pour monotube Ø50 EX50, base 71cm, hauteur 14cm
Nos équipes sont prêtes à répondre à vos besoins et à concrétiser vos projets. Contactez votre agence locale ou laissez-nous un message, nous serons ravis de vous accompagner.