Site agence Novelty Nouvelle Aquitaine

ASD - Praticable 1,5×1

Praticables 1,5m x 1m, (jeux de 4 pieds de 20, 40, 60 et 80cm en option)

Informations
  • Codart : PRASD1X1.5@SOLO
Propriétés techniques
  • Dimensions sur chariot (x4) : 100 x 61 x 225 cm
  • Poids sur chariot (x4) : 168 kg
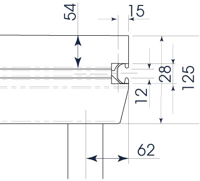
  • Dimensions unitaires : 150 x 100 x 12 cm (plateau seul)
  • Poids unitaire : 34 kg (plateau seul)
  • Poids unitaire : 34,8 kg (avec pieds 20cm)
  • Poids unitaire : 35 kg (avec pied 40cm)
  • Poids unitaire : 36,6 kg (avec pied 60cm)
  • Poids unitaire : 40,4 kg (avec pied 80cm)
Nous contacter

Vous avez un projet ou une question ?

Nos équipes sont prêtes à répondre à vos besoins et à concrétiser vos projets. Contactez votre agence locale ou laissez-nous un message, nous serons ravis de vous accompagner.

Contactez-nous