Site agence Novelty Nouvelle Aquitaine

Chief - RSEU

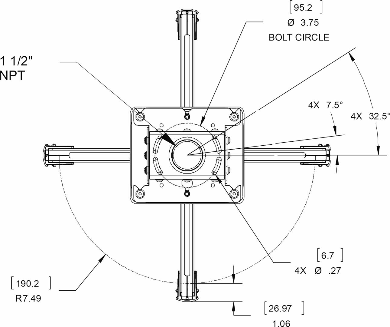
Support de montage universel pour vidéoprojecteurs jusqu'à 11 kg
Propriétés techniques
  • Poids unitaire : 2,315 kg

Documents à télécharger

Détails produit

Pin Connection Universal Projector Mount – 11kg
The RSEU was designed specifically for use in  Europe, Middle East, and Africa and is only available in those regions.  Chief’s projector solutions feature a convenient pin-connection column system focusing on speed of installation.
The RSEU features a universal interface that offers a compact design for smaller projectors with all the same great features as the standard RPA Series.

Features

  • Compact design is smaller than the RPA by 1/3 and includes the same great features
  • Independent roll, pitch and yaw for quick and precise projector registration
  • Quick connect/disconnect with convenient lamp and filter access on most projectors
  • Disconnecting maintains registration and doesn’t affect preset adjustments
  • All-Points Security steel-into-steel locking hardware at all connection points protects against theft
  • Multiple installation options including: flush mount to ceiling, use 0.25″ threaded rods, or use a 1.5″ NPT column
  • Supports external cable management along side of CPAE Columns
  • Compatible with CPA Plates
  • Also compatible with Chief’s CMS columns and 1.5″ NPT threaded accessories

Specifications

  • Adjustments : Roll: 3° Pitch: 20° Yaw: 360°
  • Certifications : TUV Certified
  • Color : Black
  • Solution Type : Universal
  • Weight Capacity : 25 lbs (11.3 kg)
Nous contacter

Vous avez un projet ou une question ?

Nos équipes sont prêtes à répondre à vos besoins et à concrétiser vos projets. Contactez votre agence locale ou laissez-nous un message, nous serons ravis de vous accompagner.

Contactez-nous